技术支持
CONTACT

河北远东泵业制造有限公司

  0317- 8185455

  

  hbydby@126.com

  河北省泊头市道东街88号

 Yor are here:Home > 技术支持
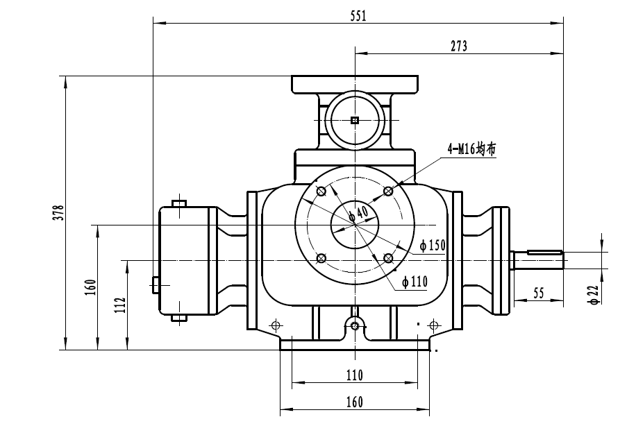
W2.1ZK-46Z2M1W73双螺杆泵外形尺寸图
  2025-7-31 9:20:22    

W2.1ZK-46Z2M1W73双螺杆泵外形尺寸图

image.png


   SN210三螺杆泵结构图

   SNS280R54U12.1W21 立式三螺杆泵外形尺寸图

© 2018 Hebei Yuandong Pumps B-yd.com .All Right Reserved.备案号:冀ICP备05010751号-2