技术支持
CONTACT

河北远东泵业制造有限公司

  0317- 8185455

  

  hbydby@126.com

  河北省泊头市道东街88号

 Yor are here:Home > 技术支持
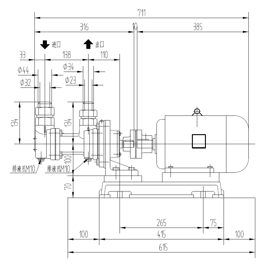
3GR30*4W21三螺杆泵2.2kw-4外形尺寸图
  2025-10-13 9:55:39    

3GR30*4W21三螺杆泵2.2kw-4外形尺寸图

image.png


   Period!

   立式三螺杆泵3GCLS100*2W21配45lw-4电机外形尺寸图

© 2018 Hebei Yuandong Pumps B-yd.com .All Right Reserved.备案号:冀ICP备05010751号-2