技术支持
CONTACT

河北远东泵业制造有限公司

  0317- 8185455

  

  hbydby@126.com

  河北省泊头市道东街88号

 Yor are here:Home > 技术支持
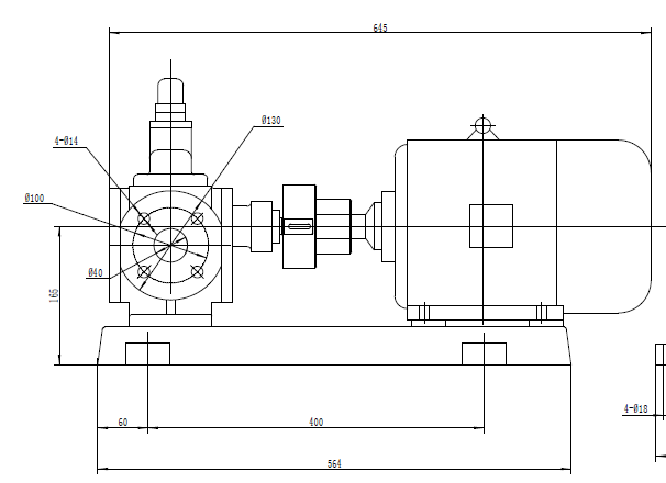
YCB5 不锈钢齿轮泵 配2.2kw-4电机外形尺寸图
  2025-11-13 16:16:43    
© 2018 Hebei Yuandong Pumps B-yd.com .All Right Reserved.备案号:冀ICP备05010751号-2