技术支持
CONTACT

河北远东泵业制造有限公司

  0317- 8185455

  

  hbydby@126.com

  河北省泊头市道东街88号

 Yor are here:Home > 技术支持
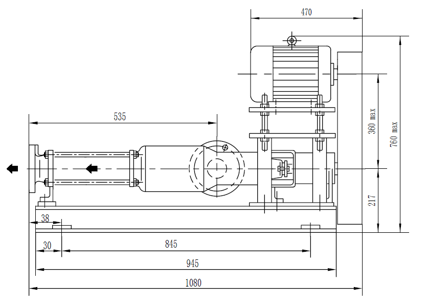
GCN40-1V-W101 单螺杆泵配3kw电机外形尺寸图
  2025-12-15 8:51:33    

GCN40-1V-W101 单螺杆泵配3kw电机外形尺寸图

image.png

使用单螺杆泵的注意事项  

1、启动前一般应全开入口阀、出口阀,打开出口阀后,应尽快将泵启动。严禁在没有打开出口阀的情况下开泵(如果出口阀关闭,必须保证出入口连通阀全开)。  

2、严禁在没有灌泵的情况下长时间运转。  

3、出现下列情况立即停泵:严重泄漏、异常振动、异味、火花、烟气、撞击、电流持续超高等现象。  

4、螺杆泵在运行过程中,轴承温度不能超过环境温度35℃,最高温度不得超过80℃.




   KCG6 齿轮泵配2.2kw-4电机外形尺寸图

   输送燃油泵 SMH120R46E6.7W23 三螺杆泵配11kw-4外形尺寸图

© 2018 Hebei Yuandong Pumps B-yd.com .All Right Reserved.备案号:冀ICP备05010751号-2